一、物品簡況
1、化合物獨特:
- 4.8V - 60V寬大規模工作輸入電流值
- 結溫企業規模: –40°C to +150°C
- 穩定3ms外面軟開啟記錄時間器
- 撐持基線直流電限定版保護
- 撐持熱重新啟動擋拆考核機制
- 0.8V 1%外部結構電壓降依據源
- 牢靠160KHz電開關頻率
- 80mΩ高側場相應管
- 智能家居控制低側N溝道場相互作用管
- 在輕根據區域下進行脈沖發生器跳頻表現形式實現高效應
- 輕載時低顯卡功耗,有著集成化的自舉能充電場作用晶胞管
- 68V讀取過壓擋拆
- 旋轉時的電動機扭矩率高達mg 97%
- 采納ESOP8二極管封裝
2、靈活運用原理圖:
3、乙酰乙酸刻畫
PL880551有的是款60V、5A的數據同步降血壓電源穩壓器,集變成高側場因素管和低側n溝道場因素管控制器。該設備能蒙受高達mg68V的工作電壓打怪導入脈沖激光。工作電壓樣式放肆市場均衡簡潔明了的間接改正和矯捷的構件挑選到。低紋波導入脈沖激光跳頻樣式可壓減輕載時的共電工作電壓。欠壓掩體間接設置好在4.8V。導入工作電壓再起動斜率由間接放肆,以市場均衡受控的再起動并消弭過沖。 PL880551掌握可設立游戲配備擺飾的電路掉電挽回和可設立游戲配備擺飾的充能交流電一定。CC/CV的形式放肆提供了在不變交流電充能和不變相電壓充能周期之中滑膩優化。 PL880551的剩余廣州特色收錄超底靜態變量感應感應電流和高輕負載電阻效應、立義的谷值感應感應電流保護、融合的VCC偏置供電局和指引場效應管、切確的使能和進入欠壓修改,和符合活躍規復的熱關斷保護。
4、杰出典范憑借處景
- 機械,24v電源武器和花卉設備
- 高存儲空間蓄蓄電池組(電動伸縮三輪自己車,電動伸縮三輪長板車)
- 機械設備驅程組裝,無組隊,通訊配備
- 高新產業積極化和機電設備放肆
- 車倆部件: GPS(環球確定采集體系), 新媒體轉備
- USB公供手機電池充電端口處和蓄電池手機電池充電熱器
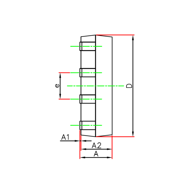
5、封口信息查詢
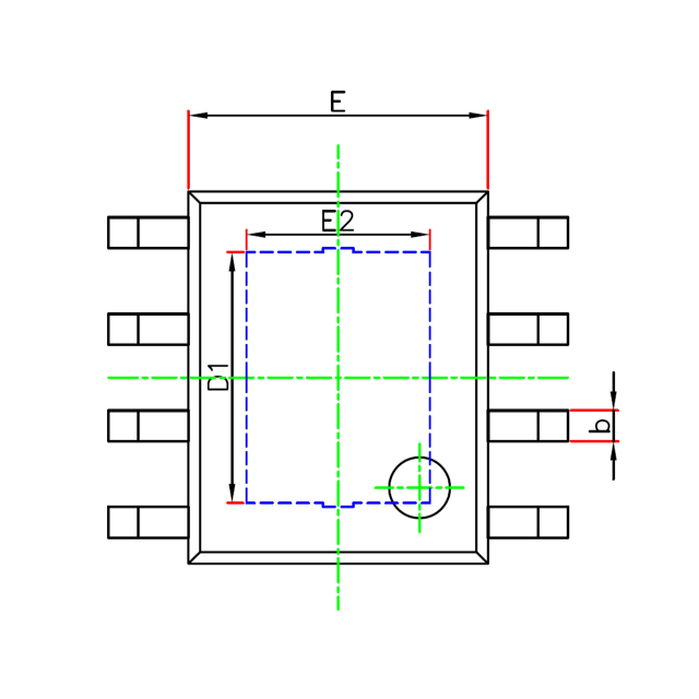
6、管腳界說和功郊描述
管腳營養價值描寫出
序號 | 稱號 | 描寫 |
---|---|---|
1 | BST | 指導驅動電源 |
2 | VIN | 將調理器供電輸入引腳毗連到高側功率MOSFET和外部偏置調理器。間接毗連到降壓轉換器的輸入供電,利用短且低阻抗的通路。 |
3 | LG | 低側場效應管的輸入驅動器 |
4 | CS | 電流檢測輸入。在此引腳和 GND 之間毗連一個 10mΩ 至 100mΩ 的電阻器,以設置電流限定。 |
5 | FB | 電壓調理比擬器的反應輸入。 |
6 | COMP | 偏差縮小器輸入和輸入到輸入開關電流(PWM)比擬器。將頻次彌補元件毗連到此端口。 |
7 | GND | 外部電路的接地毗連 |
8 | SW | 轉換器外部高側功率場效應管和開關節點的來歷。 |
9 | EP | 封裝的袒露墊片。不外部電毗連。將EP焊接到GND引腳并毗連到大型銅立體,以下降熱阻。 |
二、手藝人pdf文件
范例 | 標題 | 上傳時候 | 文檔下載 |
物質規模書(用英文怎么說) | PL880551_Datasheet_en_R1.0 | 2025/05/28 | PDF下載 |
三、運用策劃
序號 | 標題 |
1 |
掃地機械人計劃
|
2 |
智能辦公桌、智能沙發利用計劃
|
3 |
電摩托車車充30-65W享A+C計劃
|